Toggle menu
Search
Compare
PART REQUEST
Submit a Form
NEED EXPERT HELP?
(844) 269-4335
Mon-Fri | 8-5 Central
MY ACCOUNT
Sign in
or
Register
Cart
Search
Search
Search
Cushions $100–$199
Cushions $200–$299
Cushions $300+
Cushions under $100
Featured
Gift Ideas
Outdoor & All-Terrain Mobility
Permobil Owners
Quantum Owners
Stocking Stuffers
Tech Lover
Shop All
Gift Ideas
Deals Under $100
Deals Over $400
Deals $200 - $300
Deals $100 - $200
Deals $300 - $400
Build My Wheelchair Parts Finder
Permobil Parts
Pride Mobility Parts
Quantum Rehab Parts
Shop All
Build My Wheelchair Parts Finder
Quick Ship
Quick Ship Permobil Parts and Accessories
Quick Ship Pride Parts and Accessories
Quick Ship Quantum Parts and Accessories
Quick Ship Universal Parts and Accessories
Quick Ship Wheelchair Cushions
Shop All
Quick Ship
Power Wheelchairs
Avid Rehab Power Elevating/Recline/Tilt
Magic Mobility Power Elevating/Recline/Tilt
Permobil Power Elevating/ Recline/ Tilt/ Standing
Quantum Power Elevating/ Recline/ Tilt
Outdoor/ All-Terrain Power Mobility
Whill Power Wheelchairs
Elevating Power Wheelchairs
Folding/Portable/Travel Power Wheelchairs
Full Size Standard Power Wheelchairs
Heavy Duty Standard Power Wheelchairs
Joystick Handles
Sliding/Transfer Board
Parts & Accessories
Assistive Technology Consultation
Shop All
Power Wheelchairs
Scooters
Folding Travel Scooters
3- & 4-Wheel Portable/ Travel Scooters
3 Wheel Scooters
4 Wheel Scooters
Heavy Duty Scooters
Recreational Scooters
All-Terrain Scooters
Assistive Technology Consultation
Accessories
Shop All
Scooters
Seating & Positioning
Wheelchair Seat Cushions
Cushion Covers
Wheelchair Cushion Accessories
Wheelchair Backs
Carbon Fiber Products
Pressure Mapping
Head Positioning
Pelvic Positioning
Upper Extremity Support
Upper Body Positioning
Lower Body Positioning
Residual Limb Support
Sliding/Transfer Board
Joystick Handles
Assistive Technology Consultation
Shop All
Seating & Positioning
Manual Wheelchairs
Transport Wheelchairs
Standard Lightweight Wheelchairs
Ultra Lightweight Folding Wheelchairs
Ultra Lightweight Rigid Wheelchairs
Carbon Fiber Wheelchairs
Heavy Duty/High Weight Capacity Wheelchairs
Reclining Wheelchairs
Tilt in Space Wheelchairs
Long Term Care Wheelchairs
Pediatric Wheelchairs
Beach Wheelchairs
Non-Tilt Rolling Shower Commode Chairs
Rolling Shower Commode Chairs with Tilt
Sliding/Transfer Board
Power Assist Option
Accessories
Assistive Technology Consultation
Shop All
Manual Wheelchairs
Homecare
Bath Systems
Hospital Beds
Hospital Bed Mattresses
Hospital Bed Accessories
Overbed Tables
Dining Safety
Lift Chairs
Standing Frames
Patient Lifts
Gait Trainers
Walkers
Rollators
Knee Walkers
Ramps
Shop All
Homecare
Parts & Accessories
Build My Wheelchair Parts Finder
Batteries and Chargers
Carbon Fiber Parts & Accessories
Permobil Parts & Accessories
Pride Power Wheelchair Parts & Accessories
Pride Scooter Parts & Accessories
Quantum Rehab Parts & Accessories
Universal Mobility Accessories
Schedule Service Call - By Phone or Virtual
Owner's Manual Library
Shop All
Parts & Accessories
Battery Finder
Power Wheelchairs
Scooters
Shop All
Battery Finder
Ramps & Vehicle Lifts
Ramps
Vehicle Lifts
Shop All
Ramps & Vehicle Lifts
Overstock Deals
Serial # Locator
Gift Certificates
Sign in
or
Register
Cushions $100–$199
Cushions $200–$299
Cushions $300+
Cushions under $100
Featured
Gift Ideas
Outdoor & All-Terrain Mobility
Permobil Owners
Quantum Owners
Stocking Stuffers
Tech Lover
Shop All Gift Ideas
Deals Under $100
Deals Over $400
Deals $200 - $300
Deals $100 - $200
Deals $300 - $400
Build My Wheelchair Parts Finder
Permobil Parts
Pride Mobility Parts
Quantum Rehab Parts
Shop All Build My Wheelchair Parts Finder
Quick Ship
Quick Ship Permobil Parts and Accessories
Quick Ship Pride Parts and Accessories
Quick Ship Quantum Parts and Accessories
Quick Ship Universal Parts and Accessories
Quick Ship Wheelchair Cushions
Shop All Quick Ship
Power Wheelchairs
Avid Rehab Power Elevating/Recline/Tilt
Magic Mobility Power Elevating/Recline/Tilt
Permobil Power Elevating/ Recline/ Tilt/ Standing
Quantum Power Elevating/ Recline/ Tilt
Outdoor/ All-Terrain Power Mobility
Whill Power Wheelchairs
Elevating Power Wheelchairs
Folding/Portable/Travel Power Wheelchairs
Full Size Standard Power Wheelchairs
Heavy Duty Standard Power Wheelchairs
Joystick Handles
Sliding/Transfer Board
Parts & Accessories
Assistive Technology Consultation
Shop All Power Wheelchairs
Scooters
Folding Travel Scooters
3- & 4-Wheel Portable/ Travel Scooters
3 Wheel Scooters
4 Wheel Scooters
Heavy Duty Scooters
Recreational Scooters
All-Terrain Scooters
Assistive Technology Consultation
Accessories
Shop All Scooters
Seating & Positioning
Wheelchair Seat Cushions
Cushion Covers
Wheelchair Cushion Accessories
Wheelchair Backs
Carbon Fiber Products
Pressure Mapping
Head Positioning
Pelvic Positioning
Upper Extremity Support
Upper Body Positioning
Lower Body Positioning
Residual Limb Support
Sliding/Transfer Board
Joystick Handles
Assistive Technology Consultation
Shop All Seating & Positioning
Manual Wheelchairs
Transport Wheelchairs
Standard Lightweight Wheelchairs
Ultra Lightweight Folding Wheelchairs
Ultra Lightweight Rigid Wheelchairs
Carbon Fiber Wheelchairs
Heavy Duty/High Weight Capacity Wheelchairs
Reclining Wheelchairs
Tilt in Space Wheelchairs
Long Term Care Wheelchairs
Pediatric Wheelchairs
Beach Wheelchairs
Non-Tilt Rolling Shower Commode Chairs
Rolling Shower Commode Chairs with Tilt
Sliding/Transfer Board
Power Assist Option
Accessories
Assistive Technology Consultation
Shop All Manual Wheelchairs
Homecare
Bath Systems
Hospital Beds
Hospital Bed Mattresses
Hospital Bed Accessories
Overbed Tables
Dining Safety
Lift Chairs
Standing Frames
Patient Lifts
Gait Trainers
Walkers
Rollators
Knee Walkers
Ramps
Shop All Homecare
Parts & Accessories
Build My Wheelchair Parts Finder
Batteries and Chargers
Carbon Fiber Parts & Accessories
Permobil Parts & Accessories
Pride Power Wheelchair Parts & Accessories
Pride Scooter Parts & Accessories
Quantum Rehab Parts & Accessories
Universal Mobility Accessories
Schedule Service Call - By Phone or Virtual
Owner's Manual Library
Shop All Parts & Accessories
Battery Finder
Power Wheelchairs
Scooters
Shop All Battery Finder
Ramps & Vehicle Lifts
Ramps
Vehicle Lifts
Shop All Ramps & Vehicle Lifts
Overstock Deals
Serial # Locator
MY ACCOUNT
Sign in
or
Register
NEED EXPERT HELP?
(844) 269-4335
Mon-Fri | 8-5 Central
Quick & Easy
Checkout
Compare
PART REQUEST
Submit a Form
NEED EXPERT HELP?
(844) 269-4335
Mon-Fri | 8-5 Central
MY ACCOUNT
Sign in
or
Register
Cart
Search
Home
Build My Wheelchair Parts Finder
Pride Mobility Parts
Pride Power Bases
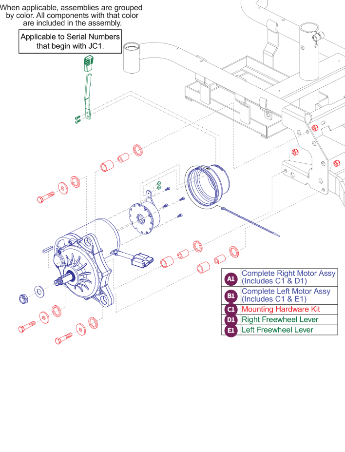
Jazzy Select Elite (Gen.2)-JC1
Motor Assy
Motor Assy, Applicable to Serial# w/JC1
Motor Assy, Applicable to Serial# w/JC1
Ref #
Description
Part #
Replaces
Price
Quantity
Ref #
E1
Description
FREEWHEEL LEVER,ASSY,LEFT,B-1033-014-D
Part #:
FRMASMB15800
Replaces:
Price
Reg. Price:
Starting At:
$5.70
Ref #
D1
Description
FREEWHEEL LEVER,ASSY,RIGHT,B-1033-010-D
Part #:
FRMASMB15456
Replaces:
Price
Reg. Price:
Starting At:
$5.70
Ref #
C1
Description
MOTOR MOUNT HARDWARE PACKAGE,ASSY,C-1033-011-D
Part #:
HDWASMB1165
Replaces:
Price
Reg. Price:
Starting At:
$22.55
Ref #
B1
Description
MOTOR,ASSY,DRIVE,JAZZY SELECT ELITE,LEFT,W/FREEWHEEL & MOUNTING HARDWARE,GC3 CONNECTOR-C
Part #:
DRVASMB2298
Replaces:
Price
Reg. Price:
Starting At:
$518.70
Ref #
A1
Description
MOTOR,ASSY,DRIVE,JAZZY SELECT ELITE,RIGHT,W/FREEWHEEL & MOUNTING HARDWARE,GC3 CONNECTOR-C
Part #:
DRVASMB2299
Replaces:
Price
Reg. Price:
Starting At:
$518.70
×
OK